
Auktoriserad återförsäljare för Kranman i Norrbotten
Traktorvagnar
Traktorvagn T1850 4WD
Art: T1850
KontakTA OSS
073-814 2548 Viktor
076-767 6276 Peter

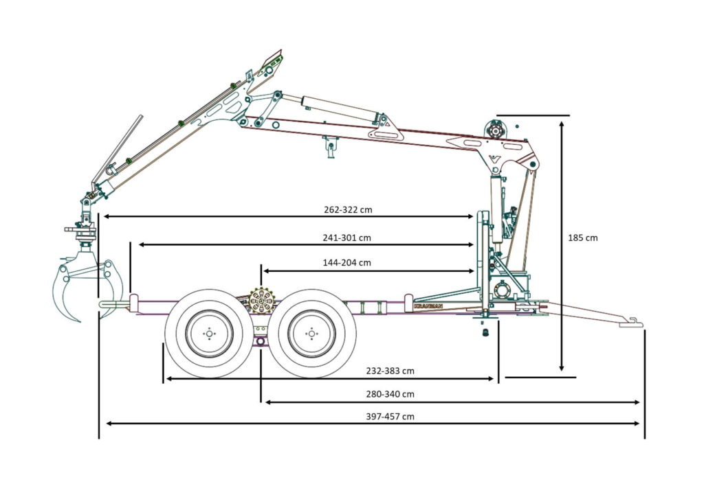
| Bredd | 142 cm |
| Höjd över bom | 165 cm |
| Längd grind–bakbank | 241–301 cm |
| Min. längd mellan banker | 183 cm |
| Lastarea | 0,9 m² |
| Vikt | 360 kg |
| Totallängd | 397–457 cm |
| Chassi | VKR100×100 |
| Frigång stödben | 40 cm |
| Frigång kranfot | 40 cm |
| Frigång vagn mitt under | 30 cm |
| Max last | 1 850 kg |
Traktorvagn T1850 4WD
2012 lanserades Kranman T1750 som då ersatte Kranman T1700. T1750 blev snabbt en kundfavorit i vårt griplastarsortiment. Nu, 13 år senare och drygt 1500 byggda T1750, är det dags igen.
T1750 är en mycket smidig och kvalitetsmässigt fullutvecklad produkt vilket har gjort utvecklingsarbetet svårt. Genom att ha lyssnat på våra många användare och gjort omfattande egna tester har vi trots detta lyckats, och vi är mycket nöjda med resultatet.
Kraftfullare chassi
T1850 har samma grundkonstruktion som T1750, men genom att använda höghållfastighetsstål på utsatta ställen och materialoptimering har vi lyckats göra vagnen ännu starkare utan att öka vikten.
Längre chassi
Bakdelen på T1850 är 15cm längre. Detta medför att man kan transportera längre virke med bibehållet kultryck. Den längre bakdelen ger även utrymme för ytterligare en flyttbar banke vilket ger totalt fyra bankrader.
Stark drivning
T1850 levereras med kraftfulla drivmotorer som är dubbelt kullagrade. Den nya drivrullen har ökat ingrepp och är dessutom självrensande.
Kranman KX30
Den nya skotarkranen Kranman KX30 Pro Series ersätter Kranman K30-60. KX30 har ny geometri vilket gör den smidigare, grövre cylindrar vilket gör den starkare och längre utskjut vilket ökar räckvidden.
Durkplåt vid grinden
Vi har utformat en skyddsplåt som sitter bakom grinden. Denna förhindrar att stockar hamnar under grinden och lastning av vagnen underlättas avsevärt.
Prata med oss innan du bestämmer dig. Det kostar ingenting.
Varje maskin och situation är unik. Vi hjälper dig hitta rätt.
- Du pratar med någon som faktiskt kört de allra flesta maskinerna och kan detaljerna.
- Du pratar med någon som själv arbetar med skog och vet vad du behöver — och vad du inte behöver.
- Du får full koll på finansieringsmöjligheterna.
- Du får veta vilka tillbehör som stärker andrahandsvärdet, om du någonsin väljer att sälja.
- Du får alla alternativ på bordet.
- Du gör helt enkelt en bättre affär.
Hör av dig via mail till info@llskog.se
eller ring för att prata med oss direkt.

| Bas | Comfort | Pro | Pro+ | |
|---|---|---|---|---|
| 30-50 kran | ✓ | |||
| KX30 kran | ✓ | ✓ | ✓ | |
| Hydraulisk vinsch HV500 | ✓ | ✓ | ||
| Flerspaks ventilpaket | ✓ | ✓ | ||
| Två spak EL on/off paket | ✓ | |||
| Krandämpare | ✓ | ✓ | ||
| Belysning 2x15W | ✓ | ✓ | ||
| Hjul 22x11-8 | ✓ | |||
| Hjul 300/65-12 | ✓ | ✓ | ✓ | |
| Ramstyrning | ✓ | ✓ | ||
| En extra lastbanke | ✓ | |||
| Två extra lastbankar | ✓ | |||
| Fallplåt vid grind | ✓ | ✓ | ||
| Pris exkl. moms | 109 600 kr | 145 600 kr | 175 100 kr | 194 900 kr |
Relaterade Maskiner

Traktorvagn T5000ex

Traktorvagn T4600

Traktorvagn T1650

Tippvagn DX420V

Tippvagn DX220T

Skogspaket KP1120 till traktor

Bio-Cut 250G Energiklipp
Bildgalleri Traktorvagn T1850 4WD






