
Auktoriserad återförsäljare för Kranman i Norrbotten
Griplastarvagnar
Griplastarvagn T1850 4WD
Art: T1850
KontakTA OSS
073-814 2548 Viktor
076-767 6276 Peter

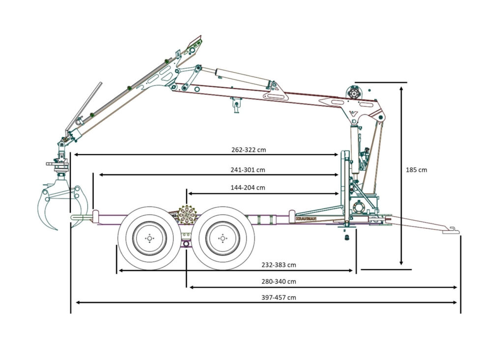
| Bredd | 142 cm |
| Höjd över bom | 165 cm |
| Längd från grind till bakre banke | 241–301 cm |
| Min. längd mellan främre och bakre banke | 183 cm |
| Lastarea | 0,9 m² |
| Vikt | 360 kg |
| Totallängd | 397–457 cm |
| Chassi | VKR100x100 |
| Frigång stödben | 40 cm |
| Frigång kranfot | 40 cm |
| Frigång vagn mitt under | 30 cm |
| Maxlast | 1 850 kg |
Kranman T1850
2012 lanserades Kranman T1750 som då ersatte Kranman T1700. T1750 blev snabbt en kundfavorit i vårt griplastarsortiment. Nu, 13 år senare och drygt 1500 byggda T1750, är det dags igen.
T1750 är en mycket smidig och kvalitetsmässigt fullutvecklad produkt vilket har gjort utvecklingsarbetet svårt. Genom att ha lyssnat på våra många användare och gjort omfattande egna tester har vi trots detta lyckats, och vi är mycket nöjda med resultatet.
Kraftfullare chassi
T1850 har samma grundkonstruktion som T1750, men genom att använda höghållfastighetsstål på utsatta ställen och materialoptimering har vi lyckats göra vagnen ännu starkare utan att öka vikten.
Längre chassi
Bakdelen på T1850 är 15cm längre. Detta medför att man kan transportera längre virke med bibehållet kultryck. Den längre bakdelen ger även utrymme för ytterligare en flyttbar banke vilket ger totalt fyra bankrader.
Stark drivning
T1850 levereras med kraftfulla drivmotorer som är dubbelt kullagrade. Den nya drivrullen har ökat ingrepp och är dessutom självrensande.
Kranman KX30
Den nya skotarkranen Kranman KX30 Pro Series ersätter Kranman K30-60. KX30 har ny geometri vilket gör den smidigare, grövre cylindrar vilket gör den starkare och längre utskjut vilket ökar räckvidden.
Ramstyrning
Ramstyrning är ett väldigt uppskattat tillval vilken möjliggör framkomst i snäv terräng och underlättar väsentligt vid backning. På T1850 kan man få vår nyutvecklade elektrohydrauliska ramstyrning.
Durkplåt vid grinden
Vi har utformat en skyddsplåt som sitter bakom grinden. Denna förhindrar att stockar hamnar under grinden och lastning av vagnen underlättas avsevärt.
Rostfri ljuddämpare
Hydraulaggregatet kan utrustas med en extra rostfri ljuddämpare med sidoutblås. Ljudnivån minskar, avgaserna leds undan och sikten ökar.
Prata med oss innan du bestämmer dig. Det kostar ingenting.
Varje maskin och situation är unik. Vi hjälper dig hitta rätt.
- Du pratar med någon som faktiskt kört de allra flesta maskinerna och kan detaljerna.
- Du pratar med någon som själv arbetar med skog och vet vad du behöver — och vad du inte behöver.
- Du får full koll på finansieringsmöjligheterna.
- Du får veta vilka tillbehör som stärker andrahandsvärdet, om du någonsin väljer att sälja.
- Du får alla alternativ på bordet.
- Du gör helt enkelt en bättre affär.
Hör av dig via mail till info@llskog.se
eller ring för att prata med oss direkt.

| Bas | Comfort | Pro | Pro+ | |
|---|---|---|---|---|
| Honda GX200 motor | ✓ | |||
| Honda GX270 motor | ✓ | ✓ | ✓ | |
| 30-50 kran | ✓ | ✓ | ||
| KX30 kran | ✓ | ✓ | ||
| Hydraulisk vinsch HV500 | ✓ | ✓ | ✓ | |
| Flerspaks ventilpaket | ✓ | ✓ | ✓ | |
| Två spak EL on/off paket | ✓ | |||
| Krandämpare | ✓ | ✓ | ||
| Belysning 2x15W | ✓ | ✓ | ||
| Hjul 22x11-8 | ✓ | |||
| Hjul 300/65-12 | ✓ | ✓ | ✓ | |
| Ramstyrning spak manövrerad | ✓ | |||
| Ramstyrning elektrohydraulisk | ✓ | ✓ | ||
| Elstart | ✓ | ✓ | ||
| Dubbelpump | ✓ | ✓ | ||
| En extra lastbanke | ✓ | |||
| Två extra lastbankar | ✓ | |||
| Bromsventil | ✓ | ✓ | ||
| Rostfri ljuddämpare | ✓ | ✓ | ||
| Fallplåt vid grind | ✓ | ✓ |
Relaterade Maskiner
Bildgalleri Griplastarvagn T1850 4WD




















